摘要:
PT柜对于从事电气行业的人都不陌生,我们在做电气工程时经常会遇到PT柜,那么PT柜是什么呢?它到底在系统中起到什么样的作用?下面就来介绍一下PT柜。

一、PT柜概述
| 中文名 | PT柜 | 性质 | 电压互感器柜 |
| 外文名 | Potential Transformer Cabinet | 作用 | 提供测量表计的电压回路 |
| 内部 | 主要安装电压互感器PT |
PT柜我们又常称其为母线电压互感器柜或电压互感器柜。里面一般设置有电压互感器一套、熔断器一、避雷器等主要电器原件。熔断器的保险丝为电压互感器提供保护。电压互感器是将高压按一定的变比将高压按比例转换成低压的装置,使其适应仪表的电压要求。
避雷器主要起到过电压和防雷保护。
电压互感器柜一般情况下采用组合式的结构,我们可根据工程的具体设计参数,配置不同类型和数量的PT。
PT柜的整体结构采用可拆卸金属铠装结构,设备面板上通常设有大面积的观察口。它可以随时观察PT柜的运行情况。每台PT设有一节车厢,其一、二次回路采用分接结构,实现一、二次室分离。柜体整体美观可靠,可实现现场抽取维护。

二、PT柜的功能
(1)提供电气系统中的测量电压、仪器仪表电压和保护电压。
(2)为功率表提供测量电压。
(3)可为相关设备提供操作和控制电源(PT)。
(4)满足电气系统继电保护的需要。母线绝缘、欠电压、过电压、备用设备自投条件等。高压柜屏顶电压小母线由PT柜供电。
PT柜内有测量PT和计量PT(原来要求是要分开测量PT和计量PT,如没有特殊要求也可以不分开,可以共用)。顶部的小母线可用于向其他高压柜提供电源。同时为其它设备提供电源,满足测量、计量和保护电源的电压要求。
三、PT柜和计量柜的区别
PT柜是电压互感器柜(PT为电压互感器的英文缩写),通常用于装设接于母线上的电压互感器,此电压互感器可用于测量和保护。
电力部门为了准确计量并能对各用户进行有效的计量管理,在用户侧会设一个专用的计量柜,柜内配置电压互感器、电流互感器及计量仪表。此表计的数据用于电费的结算。计量柜的管理权限为电力部门,用户无权进行维修和调试等工作。
四、PT柜的常见方案

方案1和方案2是KYN28柜(手车柜)常见的方案。
方案1使用熔断器手车,避雷器和熔断器安装在手车内部,PT固定安装在电缆室下方或挂装在电缆室后梁上,PT中性点经一次消谐器接地。
方案2使用PT手车,PT、熔断器、避雷器、一次消谐器均安装在手车内部,PT中性点经一次消谐器接手车摩擦接地极。
方案3是HXGN-12柜(固定柜)常见的方案。
方案3隔离开关做为PT的主开关,10kV设备隔离开关选用GN30或GN19产品,35kV设备选用GN27产品,PT固定安装在开关柜底部,PT中性点经一次消谐器接地。
因PT柜主回路中通过的电流很小(保护熔断器额定电流选用1A≤),PT柜可以带负荷拉动隔离开关或手车。
五、PT结线方式
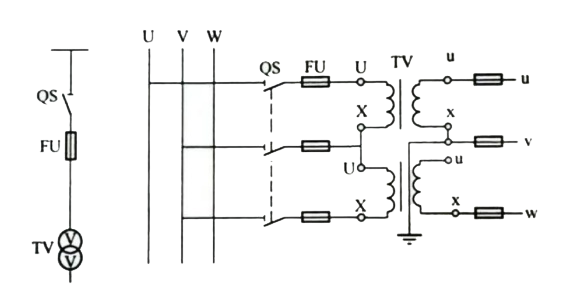
1、用一台单相电压互感器来测量某一相对地电压或相间电压的接线方式

一台单相电压互感器的接线,用于对称的三相电路,二次侧可接仪表和继电器。
2、用两台单相互感器接成不完全星形,也称V—V接线,用来测量各相间线电压,但不能测相对地电压,广泛应用在20KV以下中性点不接地或经消弧线圈接地的电网中。

V/V连接的两个电压互感器二次侧两个开口端之间的电压与其一次侧的两个开口端电压存在对应的相量关系。也就是说,二将从侧两个开口端及公共端之间的电压也同样满足电源三相电压的关系 。因此,虽然“ B相无电压”(未施加任何电压),输出端的电量仍然是三相电量。
左图是正确接线,从相量图看三相平衡,右图是错误接线,从相量图看三相不平衡。

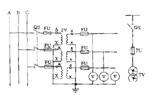
3、三个单电压互感器接成YN,yn型,可供给要求测量线电压的仪有和继电器,以及供及要求相电压的绝缘监察电压表。
YN,yn接线方式:

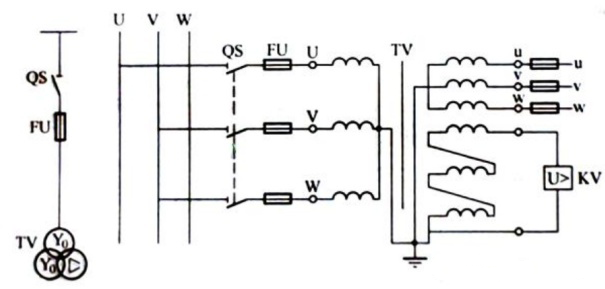
4、用三台单相三绕组电压互感器构成YN,yn,d0或YN,y,d0的接线形式,广泛应用于3~220KV系统中,其二次绕组用于测量相间电压和相对地电压,辅助二次绕组接成开口三角形,供接入交流电网绝缘监视仪表和继电器用。
当三相系统正常工作时,三相电压平衡,开口三角形两端电压为零,当某一相接地时,开口三角形两端出现零序电压,使绝缘监察电压继电器动作,发出信号。
YN,yn,d0接线方式:


由三只单相电压互感器组成星形接线时,其一次侧中性点必须接地,因为电压互感器在系统 中不仅有电压测量,而且 还起继电保护的作用。

当系统 中发生单相接地时,系统中会出现零序电流。如果一次侧中性点没有接地,那么一次侧没有零序电流通路,二次侧开口三角形线圈两端也就不会感应出零序电压,继电器KV就不会动作,发不出接地信号。
对于三相五柱式电压互感器,其一次侧中性点同样要接地。
由两只单相电压互感器组成的V-V形接线时,其一次侧是不允许接地的,因为这相当于系统的一相直接接地。而应在二次中性点接地。
六、延伸,一般高压柜屏顶小母线布置
(1)10KVⅠ段合闸电源小母线:+1HM,—1HM
(2)10KVⅡ段合闸电源小母线:+2HM,—2HM
(3)10KVⅠ段控制电源小母线:+1KM,—1KM
(4)10KVⅡ段控制电源小母线:+2KM ,—2KM
(5)10KVⅠ段电压小母线:1YMa、1YMb、1YMc、1YML、1YMN
(6)10KVⅡ段电压小母线:2YMa、2YMb、2YMc、2YML、2YMN
(7)柜内照明小母线:L,N
来源:知乎 Professor德
粤ICP备14074683号
粤公网安备44030702003267号
版权 2011-2026 深圳市小安电力应急服务有限公司 保留所有权利 Powered by www.phwl.net